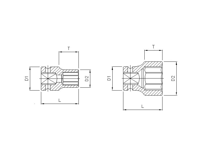
Impact socket 3/8" 6-point 14mm - Sonic Equipment